Home | OKA History | OKA Mini Cars | OKA Parts | X1/9 Parts | YUGO Parts | Metric Hardware | Oil Filter Magnets | KONSTRUKT-IT | Sitemap
Autotronics: Solid State Devices | Switches | Relays | Indicator Lights | Modules | Sensors | Timers | Circuit Breakers Terminals | Enclosures | ElectroMechanical | Fuse Blocks | Electrical | Cables | VSP |
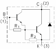
This Solid State Device is especially developed for Automotive use as high speed electronic switch.
In constant ON applications it can carry up to 5 Amperes, while in pulsed applications up to 10 Amperes may be switched momentarily.
Millions of these devices have been reliably used since November 2014 in following applications:

| Collector−Emitter Voltage (max) | VCEO | 60 | V |
| Collector−Base Voltage | VCB | 60 | V |
| Continuous Collector current TC = 25 °C | IC | 5 | A |
| Continuous Collector current TC = 100 °C | IC | 4 | A |
| Pulsed Collector current TC = 25 °C | IC | 8 | A |
| Power dissipation TC = 25 °C | P | 65 | W |
| DC Current Gain | hFE | 2500 | |
| Emitter−Base Voltage | VEB | 5 | V |
US $2.50 each
Inquire for pricing and availability on purchases of 100 units or more